Halyeeyga aan la shaacin ee bakhaarrada Deegaanka qasaarada ah ee deegaank...
AKHRISO DHEERAAD AH
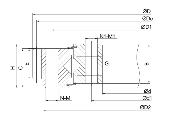
Koodhka kaydka: 920002
| Qaadista No. | Cabbirka (mm) | Miisaanka (kg) | Tixraac Maya | |||||||||||||||
| d | d1 | D | D2 | D1 | C | E | H | B | N-M | N1-M1 | De | m | Z | X | G | |||
| WDA-111-0254-01 | 180 | 210 | 342 | 324 | 300 | 35 | 30 | 42 | 35 | 24-Φ13 | (24-3)-M12 | 336 | 3 | 112 | 0 | 0/2-M10*1 | 14.9 | 111.14.0254.A |
| WDA-111-0308-01 | 235 | 259 | 403.5 | 380 | 358 | 47 | 39 | 55 | 45 | 24-Φ13 | (28-1) Φ13 | 396 | 4.5 | 88 | 0 | 2-ZG1/4 | 24 | 1797/235 |
| WDA-111-0400-01 | 318 | 352 | 504 | 480 | 448 | 50 | 44 | 60 | 50 | 12-Φ15/M14 | 12-Φ15/M14 | 500 | 4 | 125 | -0.5 | 2-M8*1 | 46 | JW□400.12A |
| WDA-111-0450-01 | 368 | 402 | 556 | 530 | 498 | 50 | 44 | 60 | 50 | 12-Φ15/M14 | 12-Φ15/M14 | 552 | 4 | 138 | -0.5 | 2-M8*1 | 52 | JW□450.12A |
| WDA-111-0467-01 | 372 | 400 | 574 | 562 | 534 | 50 | 35 | 60 | 50 | 20-Φ18 | 20-Φ18 | 570 | 2 | 285 | 0 | 0/1-M8*1 | 60 | 111.20.0467.A |
| WDA-111-0500-01 | 398 | 434 | 629 | 602 | 566 | 65 | 60 | 75 | 65 | 20-Φ18/M16 | 20-Φ18/M16 | 615 | 5 | 123 | 0.5 | 4-M10*1 | 80 | 111.25.500 |
| WDA-111-0500-02 | 418 | 452 | 610 | 580 | 548 | 50 | 44 | 60 | 50 | 14-Φ15/M14 | 14-Φ15/M14 | 605 | 5 | 138 | -0.5 | 4-M10*1 | 58 | JW□500.12A |
| WDA-111-0560-01 | 458 | 494 | 689 | 662 | 626 | 65 | 60 | 75 | 65 | 20-Φ18/M16 | 20-Φ18/M16 | 675 | 5 | 135 | 0.5 | 4-M10*1 | 90 | 111.25.560 |
| WDA-111-0560-02 | 478 | 512 | 670 | 640 | 608 | 50 | 44 | 60 | 50 | 14-Φ15/M14 | 14-Φ15/M14 | 665 | 5 | 133 | -0.5 | 4-M10*1 | 66 | JW□560.12A |
| WDA-111-0560-03 | 464 | 502 | 685 | 654 | 618 | 60 | 50 | 70 | 60 | 14-Φ17/M16 | 14-Φ17/M16 | 680 | 5 | 136 | -0.5 | 4-M10*1 | 79 | JW□560.14A |
| WDA-111-0588-01 | 506 | 541 | 684 | 650 | 631 | 47 | 42 | 53 | 47 | 24-M12 | (24-1)-Φ14 | 672 | 6 | 112 | 0 | 1-M10*1 | 60 | 011.20.0588 A |
| WDA-111-0630-01 | 528 | 564 | 772.8 | 732 | 696 | 65 | 60 | 75 | 65 | 24-Φ18/M16 | 24-Φ18/M16 | 756 | 6 | 126 | 0.5 | 4-M10*1 | 100 | 111.25.630 |
| WDA-111-0630-02 | 534 | 572 | 755 | 724 | 688 | 60 | 50 | 70 | 60 | 16-Φ17/M16 | 16-Φ17/M16 | 750 | 5 | 150 | -0.5 | 4-M10*1 | 88 | JW□630.14A |
| WDA-111-0677-01 | 574 | 604 | 816 | 781 | 753 | 74 | 65 | 90 | 71 | 18-Φ22 | 18-Φ22 | 792 | 6 | 132 | 1 | 3-M10*1 | 125 | 111.25.675.03K |
| WDA-111-0695-01 | 545 | 611 | 920 | 867 | 805 | 122 | 90 | 132.5 | 122 | 40-Φ30 | 35-M27 | 900 | 10 | 90 | 0 | 4-G1/4 | 290 | LY-8013 |
| WDA-111-0710-01 | 608 | 644 | 850.8 | 812 | 776 | 65 | 60 | 75 | 65 | 24-Φ18/M16 | 24-Φ18/M16 | 834 | 6 | 139 | 0.5 | 4-M10*1 | 110 | 111.25.710 |
| WDA-111-0710-02 | 614 | 652 | 840 | 804 | 768 | 60 | 50 | 70 | 60 | 18-Φ17/M16 | 18-Φ17/M16 | 834 | 6 | 139 | -0.5 | 4-M10*1 | 101 | JW□710.14A |
| WDA-111-0710-03 | 608 | 644 | 846 | 812 | 776 | 65 | 60 | 75 | 65 | 24-M16 | 24-心18 | 834 | 6 | 139 | 0 | 4-M10*1 | 118 | 111.25.710.12K |
| WDA-111-0776-01 | 664 | 705 | 929.6 | 890 | 847 | 65 | 60 | 75 | 65 | 36-Φ22 | (36-1)-中22 | 920 | 8 | 115 | -0.4 | 4-M10*1 | 133 | 1797/664 |
| WDA-111-0800-01 | 678 | 722 | 966.4 | 922 | 878 | 72 | 65 | 82 | 72 | 30-Φ22/M20 | 30-Φ22/M20 | 944 | 8 | 118 | 0.5 | 6-M10*1 | 170 | 111.28.800 |
| WDA-111-0800-02 | 704 | 742 | 936 | 894 | 858 | 60 | 50 | 70 | 60 | 20-Φ17/M16 | 20-Φ17/M16 | 928 | 8 | 116 | -0.5 | 6-M10*1 | 114 | JW□800.14A |
| WDA-111-0800-03 | 692 | 736 | 952 | 904 | 864 | 68 | 58 | 78 | 68 | 18-Φ22/M18 | 18-Φ22/M18 | 944 | 8 | 118 | -0.5 | 6-M10*1 | 147 | JW□800.18A |
| WDA-111-0800-04 | 678 | 722 | 968 | 922 | 878 | 72 | 65 | 82 | 72 | 30-Φ22 | 30-Φ22 | 944 | 8 | 118 | 0.5 | 6-M10*1 | 161 | 111.28.800.12 |
| WDA-111-0823-01 | 715 | 753 | 979 | 935 | 893 | 84 | 63 | 100 | 84 | 28-Φ22 | 28-Φ22 | 940 | 10 | 94 | 0.95 | 4-M10*1 | 173 | 1797/715 |
| WDA-111-0900-01 | 778 | 822 | 1062.4 | 1022 | 978 | 72 | 65 | 82 | 72 | 30-Φ22/M20 | 30-Φ22/M20 | 1040 | 8 | 130 | 0.5 | 6-M10*1 | 190 | 111.28.900 |
| WDA-111-0900-02 | 792 | 836 | 1060 | 1004 | 964 | 68 | 58 | 78 | 68 | 20-Φ22/M18 | 20-Φ22/M18 | 1050 | 10 | 105 | -0.5 | 6-M10*1 | 168 | JW□900.18A |
| WDA-111-0987-01 | 885 | 925 | 1096 | 1056 | 1032 | 70.5 | 62.5 | 83 | 75 | 16-M16 | 16-Φ17.5 | 1080 | 8 | 135 | 0 | 3-M10*1 | 172 | E1792/885K |
| WDA-111-1000-01 | 878 | 922 | 1188 | 1122 | 1078 | 72 | 65 | 82 | 72 | 36-Φ22/M20 | 36-Φ22/M20 | 1160 | 10 | 116 | 0.5 | 6-M10*1 | 210 | 111.28.1000 |
| WDA-111-1000-02 | 892 | 936 | 1160 | 1104 | 1064 | 68 | 58 | 78 | 68 | 24-Φ22/M18 | 24-Φ22/M18 | 1150 | 10 | 115 | -0.5 | 6-M10*1 | 185 | JW□1000.18A |
| WDA-111-1000-03 | 876 | 926 | 1170 | 1120 | 1074 | 80 | 70 | 90 | 80 | 24-Φ24/M22 | 24-Φ24M22 | 1160 | 10 | 116 | -0.5 | 6-M10*1 | 232 | JW□1000.22A |
| WDA-111-1025-01 | 885 | 935 | 1180 | 1150 | 1115 | 100 | 80 | 115 | 100 | 16-Φ18 | 16-Φ18 | 1170 | 5 | 234 | 0 | 4-M8*1 | 330 | 1797/885G |
| WDA-111-1117-01 | 984 | 1035 | 1289.5 | 1242 | 1198 | 97.5 | 82.5 | 107.5 | 98 | 60-Φ25 | 58-Φ25 | 1250 | 10 | 125 | 1 | 1-M10*1 | 327 | 111.32.1117.A |
| WDA-111-1120-01 | 998 | 1042 | 1298 | 1242 | 1198 | 72 | 65 | 82 | 72 | 36-Φ22M20 | 36-Φ22/M20 | 1270 | 10 | 127 | 0.5 | 6-M10*1 | 230 | 111.28.1120 |
| WDA-111-1120-02 | 996 | 1046 | 1308 | 1240 | 1194 | 80 | 70 | 90 | 80 | 28-Φ24/M22 | 28-Φ24/M22 | 1296 | 12 | 108 | -0.5 | 6-M10*1 | 275 | JW□1120.22A |
| WDA-111-1250-01 | 1110 | 1163 | 1449.6 | 1390 | 1337 | 81 | 75 | 91 | 81 | 40-Φ26/M24 | 40-Φ26/M24 | 1416 | 12 | 118 | 0.5 | 5-M10*1 | 350 | 111.32.1250 |
| WDA-111-1250-02 | 1126 | 1176 | 1440 | 1370 | 1324 | 80 | 70 | 90 | 80 | 32-Φ24/M22 | 32-Φ24M22 | 1428 | 12 | 119 | -0.5 | 5-M10*1 | 309 | JW□1250.22A |
| WDA-111-1254-01 | 1100 | 1160 | 1452 | 1415 | 1345 | 100 | 84 | 115 | 100 | 18-Φ21 | 24-Φ21 | 1440 | 6 | 240 | 0 | 4-M8*1 | 502 | 1797/1100G |


Halyeeyga aan la shaacin ee bakhaarrada Deegaanka qasaarada ah ee deegaank...
AKHRISO DHEERAAD AH
Muddo shan iyo toban sano ah, tan iyo markii la aasaasay sanadihii 1969, Jang...
AKHRISO DHEERAAD AH
Tan iyo markii la aasaasay 1969, JangsuwantasSAdescorbereearringco. Qalabka t...
AKHRISO DHEERAAD AH
Fahmitaanka Doorka Doonanka Dhinacyada Dhinacyada Forklift dhinacyada d...
AKHRISO DHEERAAD AH
Fahamka silsiladaha giraangiraha Silsiladaha giraangiraha waa...
AKHRISO DHEERAAD AH